PL-DFB-1385-A-A81 型 1385nm 分布反馈(DFB)激光二极管模块是一款经济高效、高相干性的激光光源。该 DFB 激光二极管芯片采用行业标准的 14 引脚蝶形封装,封装为密封结构,内置半导体制冷器(TEC)和光电探测器(PD)。
产品特点
窄线宽 < 2MHz
优秀的波长控制和稳定性
行业标准14引脚蝶形封装
无跳模调谐
优异的可靠性
可提供客户定制波长
产品应用
可调谐二极管激光吸收光谱法
尺寸图

激光器规格
光电特性 (Tsub=25℃,CW偏置 除非另有说明)
参数 | 条件 | Min. 值 | 典型值 | Max. 值 | 单位 |
中心波长 | λ | 1384.5 | 1385.0 | 1385.5 | nm |
边模抑制比 | SMSR | 30 | 40 | mA | |
阈值电流 | Ith | 20 | 30 | mW | |
工作电流 | Iop | 75 | 100 | V | |
芯片输出功率 | Pf | 20 | 35 | mA | |
量子效率 | η | 0.08 | 0.12 | V | |
电流调谐系数 | ∆λ/∆I | 0.015 | % | ||
温度调谐系数 | ∆λ/∆I | 0.12 | W/A | ||
正向电压 | Vf | 1.3 | 2 | Ω | |
热敏电阻 | RT | 9.5 | 10 | 10.5 | GHz |
热敏电阻温度系数 | -4.4 | dB/Hz | |||
连接器 | FC/APC | ||||
光谱图
DFB 线宽测量(CW,1.572 MHz@25℃,50mA)

L-I 曲线

调谐特性

光束质量

2D

3D
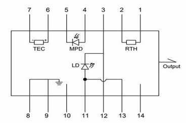
引脚定义(示意图-俯视图)

引脚连接
PIN 编号 | 功能 | PIN 编号 | 功能 |
1 | 热敏电阻 | 8 | 壳体接地 |
2 | 热敏电阻 | 9 | 壳体接地 |
3 | LD- | 10 | NC |
4 | 探测器(+) | 11 | LD + |
5 | 探测器(-) | 12 | LD -, RF |
6 | TEC + | 13 | LD + |
7 | TEC - | 14 | NC |
jue对Max. 额定值
项 | 单位 | Min. 值 | 典型值 | Max. 值 |
壳体温度 | °C | -5 | 25 | 70 |
芯片温度 | °C | +10 | 25 | 40 |
工作电流 | mA | 0 | 75 | 100 |
正向电压 | V | 0.8 | 1.2 | 1.8 |
TEC 电流 | A | - | - | 1.2 |
反向电压(LD) | V | - | - | 2.0 |
反向电压(PD) | V | - | - | 20 |
订购信息
PL-DFB-□□□□-☆-A8▽-XX
□□□□: Wavelength
1341: 1341nm
1385: 1385nm
1392: 1392nm
1512: 1512nm
1567: 1567nm
*****
1653.7: 1653.7nm
☆: Output Power
A: 50mW
B: 80mW
▽: Wavelength Tolerance
1: ±1nm
2: ±2nm
XX: Fiber and Connector Type
SA=SMF-28E+ FC/APC
SP=SMF-28E+ FC/PC
PP=PM Fiber+ FC/PC
PA=PM Fiber+ FC/APC
| 名称 | 型号货号 | 描述 | 价格 |
|---|
